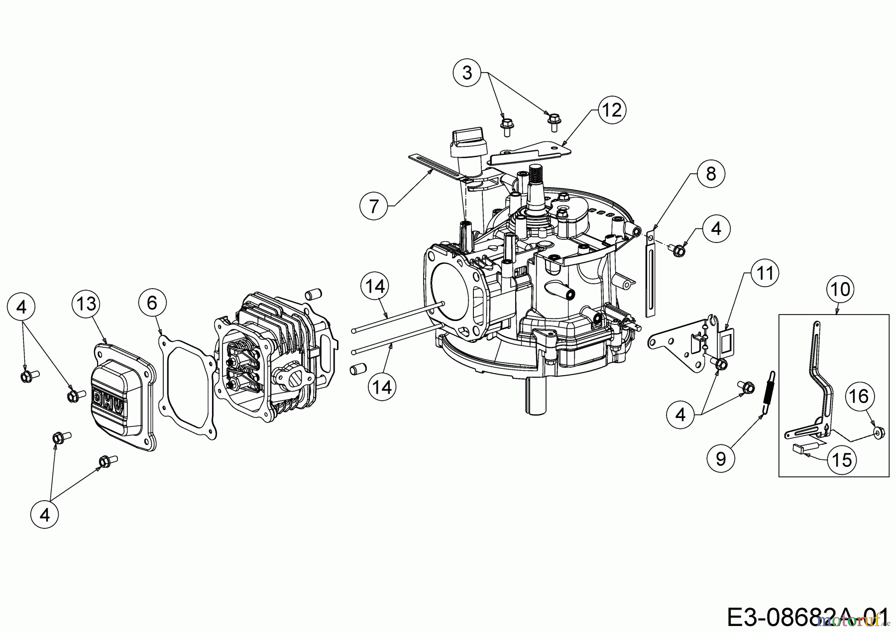
MTD-Moteurs 1 X 65 RH 752Z1X65RH (2016) Culasse Pièces détachées
Culasse 752Z1X65RH (2016)

Vous trouverez ici le dessin de la pièce de rechange pour MTD-Moteurs MTD vertical 1 X 65 RH 752Z1X65RH (2016) Culasse. Sélectionnez la pièce de rechange requise dans la liste des pièces de rechange de votre appareil MTD-Moteurs MTD vertical 1 X 65 RH 752Z1X65RH (2016) Culasse et commandez simplement en ligne. De nombreuses pièces de rechange MTD-Moteurs nous gardons en permanence dans notre entrepôt pour vous.



